Aryanne's Design
Accueil
…
Accueil
Aryanne's Design
Accueil
…
Accueil
Précédent
Previous
Next
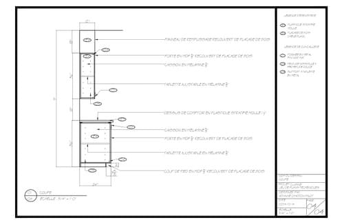
Projet cuisine - mobilier sur mesure
Aryanne's Design
DESIGNER INTÉRIEUR | INTERIOR DESIGNER
Portfolio
Utilisation des cookies
Nous utilisons des cookies pour assurer une expérience de navigation fluide. En continuant, nous supposons que vous acceptez l'utilisation des cookies.
Accepter
En savoir plus